![]() ![]()
Other Projects
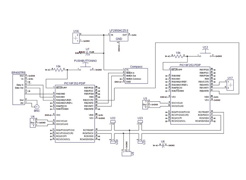
Electronics Design and PCB Prototyping
Surface Modelling and Machining of an 'A Class' model sailing yacht
![]()
GUI for Model Yacht Telemetry
GUI and Compiler for an Industrial Linear Actuator
Design and Machining of an Overmould Injection Tool
Design and Machining of a Rudder Levelling Mechanism
Captured Beach Sand
Wood Burning Stove
Lights Made from Acrylic Disks
|